BLUEPRINT MAKER

Produce drawings for creating a building, part, product, and more.

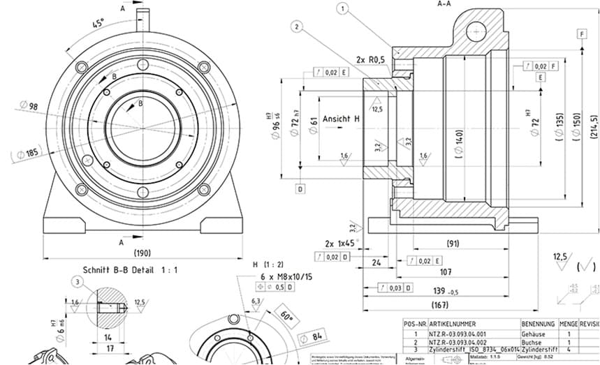
What is a blueprint?

Blueprints are designs used to create buildings, products, and more. Blueprints got their name from the historic process of creating technical drawings on paper coated with a chemical mixture that would turn the background blue while the drawing lines remained white when exposed to light.

The difference between blueprints and floor plans

Blueprints are detailed drawings referenced to build something. They can include many types of drawings and diagrams such as floor plans, elevations, and details. A floor plan shows a bird’s-eye view of a building or structure and typically displays the location of walls, fixtures, and furniture.

How to read blueprints

Learn the fundamentals to get started in creating and navigating blueprints.

  • A BEGINNER’S GUIDE TO BLUEPRINTS

    Learn about construction plans and blueprints.

  • BLUEPRINT READING BASICS

    Discover how to read blueprints for construction.

  • UNDERSTANDING BLUEPRINT SYMBOLS

    Take the mystery out of reading blueprints by learning how to read blueprint symbols.

  • NAVIGATING A SET OF PLANS

    Get to know how construction documents are organized so you can find your way around blueprints.

Blueprint maker software

Compare
Learn more

AutoLISP is now available with AutoCAD LT

Use AutoLISP in AutoCAD LT to streamline workflows and enforce CAD standards through automation.

Helpful videos on making blueprints in AutoCAD

Classroom floor plan tutorial

This video demonstrates how to use AutoCAD and the draw and modify tools to create a floor plan drawing of a classroom.

Ground floor plan tutorial

This video demonstrates how to use AutoCAD to draft a ground floor plan.

See how AutoCAD is used to make blueprints

  • STRATFORD FESTIVAL

    Set design comes to life with AutoCAD

    Canadian theater festival uses AutoCAD and other technologies such as 3D printing to deliver incredible set designs.

  • RED BEAN INTERIOR DESIGN

    AutoCAD LT opens doors for interior designer

    Interior designer highlights her skills with AutoCAD LT to land a new job and creates a competitive advantage for her current firm.

  • STRUCTURAL SURVEYS, LTD.

    AutoCAD mobile app provides instant solution

    For a new design department, the discovery of the AutoCAD mobile app brings on-site design, as well as unexpected benefits with workflow and accuracy.

Blueprint design resources

Learn how to use Autodesk CAD software to create blueprints and CAD drawings.

Frequently asked questions on blueprint design

Technical drawings known as blueprints include details and measurements that illustrate how to build or design a structure or object. Blueprints were originally negative reproductions of hand-drawn plans that show up as white lines on blue paper. Today, computer-aided drawing programs like AutoCAD make blueprint drawing easier and more accurate.

Hardcopy architectural blueprints are bulky, difficult to share with multiple stakeholders, expensive to reproduce, and are often a struggle to keep updated. Digital blueprints, created with architectural software like Autodesk’s 2022 Architecture toolset, make it easier to create, update, and share technical blueprint drawings.

Fusion 360 is a 3D CAE, CAM, and CAD platform that allows architects to import sketches and reference material to create representational architectural designs and blueprints. See this video to learn how to create a blueprint in Fusion 360.

There are a number of blueprint software programs that can make creating blueprints easier and more accurate than hand drawing. The Autodesk Architecture, Engineering & Construction Collection of software delivers integrated tools that support fast, efficient, and accurate technical drawing, including blueprints.

Blueprints include all the technical details about a project. They will include floorplans showing the layout of each floor or structure section; elevation drawings of each side of the structure and notes about exterior finishes; foundation drawings including footings and bearing walls; cutaway or cross-section details that show how various parts of the structure fit together; an electrical layout for each level noting where lighting, outlets, switches, or circuits should be placed; framing and roof plans; plumbing and mechanical systems layout; and a plot plan that shows all the structures or features on a piece of property.

Welcome ${RESELLERNAME} Customers

Please opt-in to receive reseller support

I agree that Autodesk may share my name and email address with ${RESELLERNAME} so that ${RESELLERNAME} may provide installation support and send me marketing communications.  I understand that the Reseller will be the party responsible for how this data will be used and managed.

Email is required Entered email is invalid.

${RESELLERNAME}